• Espigão
  • Espigão
  • Espigão

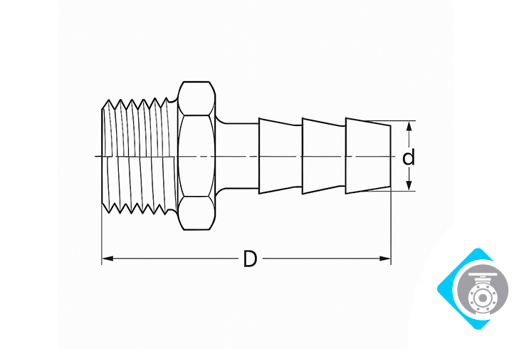
Conexão Emenda Tipo Espigão

O espigão é uma conexão indispensável em sistemas hidráulicos e pneumáticos, especialmente projetado para unir mangueiras e tubos com segurança, vedação e resistência. Disponível em inox 304 ou latão, o espigão industrial da Casa das Válvulas é ideal para aplicações onde robustez, durabilidade e compatibilidade com diversos fluidos são fundamentais.

Com roscas BSP ou NPT, o espigão oferece alto desempenho em linhas de ar comprimido, condução de líquidos industriais e instalações de manutenção. O modelo em aço inox 304 garante alta resistência à corrosão e é indicado para ambientes agressivos e setores como alimentício, químico e naval. Já a versão em latão é amplamente utilizada em sistemas hidráulicos gerais, graças à sua excelente relação custo-benefício.

A Casa das Válvulas oferece ampla variedade de tamanhos e modelos com entrega rápida e suporte técnico especializado para ajudar você a escolher o espigão ideal para sua aplicação.

Medidas:

  • Rosca (NPT, BSP, JIC, METRICA): 1/8” a 3”
  • Escamas: ¼”, 3/8”, ½”, ¾”

Materiais:

  • Aço carbono com adição de proteção superficial (Material para uma ampla gama de utilização);
  • Latão CA 360 (Material que proporciona boa condutibilidade térmica ao fluido);
  • Aço Inox 304 (Material para aplicação em uma ampla gama de fluidos corrosivos);
  • Aço Inox 316 (Material para exigências de alta resistência à corrosão).

Modelos:

  • Rosca Macho/ Escama
  • Rosca Fêmea/ Escama
  • Escama / Escama
FIG 42 ESPIGAO_casadasvalvulasmg Download